Unconstrained bellows Features:
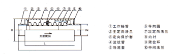
JWY-type non-binding bellows bellows, also known as non-binding, non-binding expansion joint, buried-type compensator, the compensation for the use of bellows inside the single, double or multi- U-wave, bellows and other diversion set 1Cr18Ni9Ti austenitic stainless steel materials, and other materials for low-carbon steel or low alloy steel.
Unconstrained bellows in the fixation and fixed spacing to determine the calculation and the general thrust bearing axial compensator is identical. Unconstrained compensator in addition to cancel the work to be stretched, but also greatly easing installation requirements. Unconstrained bellows like a short tube can be installed in the pipeline, like, do not press the other axial expansion joint usually requires a full line of steel and then cut off and take a good long pipe expansion joints and other methods. Also due to non-binding bellows solid shell, but also facilitate the transportation, installation and insulation.
Unconstrained compensator uses:
non-binding bellows for the pipe axial compensation, the compensation capacity, with a strong self-steering and superior bending ability, which can simplify the design of pipeline-oriented frame, so that the spacing bracket installation guide can be adjusted.
JWY bellows-type non-binding technical parameters
Diameter DN | Wave number | Mpa pressure level | Bellows effective area cm2 | Maximum diameter size mm | Take over the port size doxs mm | Length L mm | ||||
0.25 | 0.6 | 1 | 1.6 | 2.5 | ||||||
Axial compensation: mm / stiffness N / mm | ||||||||||
50 | 8 | 14/153 | 12/318 | 12/318 | 12/635 | 11/1310 | 37 | 120 | §æ57 × 3.5 | 361 |
16 | 27/76 | 24/158 | 24/158 | 24/318 | 23/655 | 445 | ||||
32 | 52/38 | 48/79 | 48/79 | 48/159 | 46/328 | 621 | ||||
65 | 8 | 19/213 | 18/213 | 18/213 | 18/424 | 15/814 | 55 | 159 | §æ73 × 4 | 377 |
12 | 30/142 | 29/142 | 27/142 | 27/283 | 25/421 | 425 | ||||
24 | 60/71 | 58/107 | 54/107 | 54/142 | 50/211 | 581 | ||||
80 | 8 | 30/179 | 30/179 | 30/358 | 29/358 | 27/650 | 81 | 162 | §æ89 × 4 | 430 |
10 | 54/143 | 37/143 | 37/286 | 37/286 | 32/325 | 466 | ||||
20 | 108/72 | 74/72 | 74/143 | 74/143 | 64/163 | 660 | ||||
100 | 6 | 34/138 | 34/277 | 33/417 | 33/417 | 32/817 | 121 | 180 | §æ108 × 4 | 410 |
10 | 56/83 | 56/166 | 56/250 | 54/250 | 50/409 | 492 | ||||
20 | 112/42 | 112/83 | 112/125 | 108/125 | 100/205 | 712 | ||||
125 | 5 | 37/136 | 36/272 | 36/408 | 35/408 | 33/801 | 180 | 221 | §æ133 × 4 | 410 |
9 | 66/76 | 65/151 | 65/227 | 63/227 | 60/401 | 412 | ||||
18 | 132/38 | 130/76 | 130/114 | 126/114 | 120/201 | 711 | ||||
150 | 5 | 49/100 | 49/200 | 48/300 | 45/456 | 44/845 | 257 | 245 | §æ159 × 4.5 | 433 |
8 | 88/63 | 78/125 | 77/188 | 71/286 | 65/423 | 518 | ||||
16 | 159/32 | 156/63 | 154/94 | 142/143 | 130/211 | 756 | ||||
200 | 4 | 58/95 | 56/193 | 56/288 | 56/480 | 55/800 | 479 | 327 | §æ219 × 6 | 475 |
6 | 86/63 | 85/128 | 85/192 | 84/320 | 80/927 | 553 | ||||
12 | 172/32 | 170/64 | 170/96 | 168/160 | 160/200 | 800 | ||||
250 | 4 | 75/170 | 74/343 | 63/588 | 53/930 | 50/1856 | 769 | 404 | §æ273 × 8 | 500 |
6 | 112/113 | 110/228 | 95/392 | 80/620 | 78/927 | 620 | ||||
12 | 220/57 | 220/114 | 190/196 | 160/310 | 156/464 | 984 | ||||
300 | 4 | 73/250 | 72/503 | 65/830 | 57/1253 | 54/2142 | 1105 | 451 | §æ325 × 8 | 584 |
6 | 110/167 | 109/335 | 97/553 | 85/835 | 80/1071 | 713 | ||||
12 | 220/84 | 218/168 | 194/277 | 170/418 | 160/536 | 1116 | ||||
350 | 4 | 79/263 | 78/523 | 72/840 | 64/1265 | 62/2684 | 1307 | 500 | §æ377 × 10 | 614 |
6 | 119/175 | 117/348 | 107/560 | 97/843 | 90/1342 | 759 | ||||
12 | 238/88 | 234/174 | 241/218 | 194/442 | 180/671 | 1216 | ||||
400 | 4 | 83/280 | 73/458 | 70/918 | 65/1373 | 63/3675 | 1611 | 537 | §æ426 × 10 | 625 |
6 | 125/187 | 109/305 | 102/612 | 97/915 | 90/1838 | 771 | ||||
12 | 250/94 | 218/153 | 204/306 | 194/458 | 180/920 | 1225 | ||||
450 | 4 | 98/203 | 96/405 | 82/690 | 69/2305 | 65/4350 | 1972 | 632 | §æ478 × 10 | 620 |
6 | 147/135 | 144/270 | 124/460 | 103/1537 | 90/2175 | 762 | ||||
12 | 294/68 | 288/135 | 248/230 | 206/769 | 180/1087 | 1200 | ||||
500 | 4 | 102/212 | 100/423 | 84/728 | 70/2452 | 65/4256 | 2445 | 699 | §æ529 × 10 | 624 |
6 | 153/142 | 149/282 | 126/485 | 105/1635 | 90/2128 | 766 | ||||
12 | 306/71 | 298/141 | 252/243 | 210/818 | 180/1064 | 1216 | ||||
600 | 4 | 123/265 | 121/530 | 86/1468 | 99/1740 | 95/2842 | 3534 | 806 | §æ630 × 10 | 676 |
6 | 185/177 | 181/353 | 148/978 | 140/1160 | 120/1420 | 848 | ||||
12 | 370/89 | 362/177 | 358/489 | 280/580 | 240/710 | 1382 | ||||
700 | 4 | 128/287 | 126/573 | 87/1625 | 85/2972 | 84/4100 | 4717 | 915 | §æ720 × 10 | 708 |
6 | 192/192 | 188/382 | 168/1083 | 131/1982 | 120/2050 | 882 | ||||
12 | 384/96 | 376/191 | 336/542 | 262/991 | 240/11025 | 1422 |
ÉÏһƪ£º¡¾Straight Pressure Balanced bellows (YSZP)¡¿
ÏÂһƪ£º¡¾DBHKXWtype large corrugated box type can limit expansion compensator¡¿