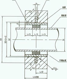
Name: rigid waterproof casing (C type)
Application:
rigid waterproof casing for pipe wall does not bear at the stretching vibration and deformation of the pipeline structure (built) building materials for earthquake fortification areas, such as the use of rigid waterproof casing, into the wall or building should be Set on a nearby wall of the flexible connection pipe, C-type suitable for ductile iron pipe.
Rigid waterproof casing (C type) size, weight table:
DN | D1 | D2 | D3 | D4 | δ | C | Weight (kg) |
|
Cast iron pipe | Ductile iron pipe | |||||||
75 | 93 | - | 115 | 135 | 245 | 12 | 10 | 9.25 |
100 | 118 | 118 | 140 | 160 | 270 | 12 | 10 | 1O.89 |
150 | 169 | 170 | 190 | 220 | 330 | 16 | 12 | 21.12 |
200 | 220 | 220 | 240 | 270 | 380 | 16 | 12 | 25.91 |
250 | 271.6 | 274 | 295 | 325 | 435 | 16 | 12 | 31.17 |
300 | 322.8 | 326 | 377 | 380 | 500 | 16 | 12 | 37.40 |
350 | 374 | 378 | 400 | 435 | 555 | 20 | 16 | 50.66 |
400 | 425.6 | 429 | 450 | 485 | 605 | 20 | 16 | 56.45 |
450 | 476.8 | - | 500 | 535 | 655 | 20 | 16 | 62.24 |
500 | 528 | 532 | 555 | 595 | 735 | 22 | 18 | 81.94 |
600 | 630.8 | 635 | 660 | 700 | 840 | 22 | 18 | 96.27 |
700 | 733 | 738 | 760 | 805 | 945 | 26 | 20 | 126.1 |
800 | 836 | 842 | 865 | 910 | 1050 | 26 | 20 | 142.4 |
900 | 939 | 945 | 970 | 1020 | 1160 | 28 | 20 | 175.3 |
1000 | 1041 | 1048 | 1075 | 1125 | 1265 | 28 | 20 | 193.3 |
1100 | 1144 | - | 1170 | 1225 | 1365 | 30 | 24 | 229.4 |
1200 | 1246 | 1255 | 1280 | 1335 | 1475 | 30 | 24 | 250.0 |
DN
|
D1
|
D2
|
D3
|
D4
|
δ
|
C
|
Weight
(kg) |
|
Cast iron pipe
|
Ductile iron pipe
|
|||||||
75
|
93
|
-
|
115
|
135
|
245
|
12
|
10
|
9.25
|
100
|
118
|
118
|
140
|
160
|
270
|
12
|
10
|
1O.89
|
150
|
169
|
170
|
190
|
220
|
330
|
16
|
12
|
21.12
|
200
|
220
|
220
|
240
|
270
|
380
|
16
|
12
|
25.91
|
250
|
271.6
|
274
|
295
|
325
|
435
|
16
|
12
|
31.17
|
300
|
322.8
|
326
|
377
|
380
|
500
|
16
|
12
|
37.40
|
350
|
374
|
378
|
400
|
435
|
555
|
20
|
16
|
50.66
|
400
|
425.6
|
429
|
450
|
485
|
605
|
20
|
16
|
56.45
|
450
|
476.8
|
-
|
500
|
535
|
655
|
20
|
16
|
62.24
|
500
|
528
|
532
|
555
|
595
|
735
|
22
|
18
|
81.94
|
600
|
630.8
|
635
|
660
|
700
|
840
|
22
|
18
|
96.27
|
700
|
733
|
738
|
760
|
805
|
945
|
26
|
20
|
126.1
|
800
|
836
|
842
|
865
|
910
|
1050
|
26
|
20
|
142.4
|
900
|
939
|
945
|
970
|
1020
|
1160
|
28
|
20
|
175.3
|
1000
|
1041
|
1048
|
1075
|
1125
|
1265
|
28
|
20
|
193.3
|
1100
|
1144
|
-
|
1170
|
1225
|
1365
|
30
|
24
|
229.4
|
1200
|
1246
|
1255
|
1280
|
1335
|
1475
|
30
|
24
|
250.0
|
上一篇:【Steel water pipe (B)】
下一篇:【ZYS808 flexible waterproof casing】