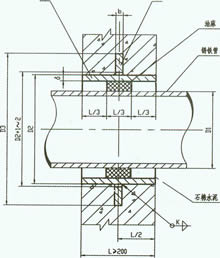
名稱:剛性防水套管(C型)
適用范圍:
剛性防水套管適用于管道穿墻處不承受管道振動和伸縮變形的構(建)筑物,對于地震設防要求的地區,如采用剛性防水套管,應在進入池壁或建筑物外墻的管道上就近設置柔性連接,C型適用于球墨鑄鐵管。
剛性防水套管(C型)尺寸、重量表:
DN | D1 | D2 | D3 | D4 | δ | C | 重量 (kg) |
|
鑄鐵管 | 球墨鑄鐵管 | |||||||
75 | 93 | - | 115 | 135 | 245 | 12 | 10 | 9.25 |
100 | 118 | 118 | 140 | 160 | 270 | 12 | 10 | 1O.89 |
150 | 169 | 170 | 190 | 220 | 330 | 16 | 12 | 21.12 |
200 | 220 | 220 | 240 | 270 | 380 | 16 | 12 | 25.91 |
250 | 271.6 | 274 | 295 | 325 | 435 | 16 | 12 | 31.17 |
300 | 322.8 | 326 | 377 | 380 | 500 | 16 | 12 | 37.40 |
350 | 374 | 378 | 400 | 435 | 555 | 20 | 16 | 50.66 |
400 | 425.6 | 429 | 450 | 485 | 605 | 20 | 16 | 56.45 |
450 | 476.8 | - | 500 | 535 | 655 | 20 | 16 | 62.24 |
500 | 528 | 532 | 555 | 595 | 735 | 22 | 18 | 81.94 |
600 | 630.8 | 635 | 660 | 700 | 840 | 22 | 18 | 96.27 |
700 | 733 | 738 | 760 | 805 | 945 | 26 | 20 | 126.1 |
800 | 836 | 842 | 865 | 910 | 1050 | 26 | 20 | 142.4 |
900 | 939 | 945 | 970 | 1020 | 1160 | 28 | 20 | 175.3 |
1000 | 1041 | 1048 | 1075 | 1125 | 1265 | 28 | 20 | 193.3 |
1100 | 1144 | - | 1170 | 1225 | 1365 | 30 | 24 | 229.4 |
1200 | 1246 | 1255 | 1280 | 1335 | 1475 | 30 | 24 | 250.0 |
DN
|
D1
|
D2
|
D3
|
D4
|
δ
|
C
|
重量
(kg) |
|
鑄鐵管
|
球墨鑄鐵管
|
|||||||
75
|
93
|
-
|
115
|
135
|
245
|
12
|
10
|
9.25
|
100
|
118
|
118
|
140
|
160
|
270
|
12
|
10
|
1O.89
|
150
|
169
|
170
|
190
|
220
|
330
|
16
|
12
|
21.12
|
200
|
220
|
220
|
240
|
270
|
380
|
16
|
12
|
25.91
|
250
|
271.6
|
274
|
295
|
325
|
435
|
16
|
12
|
31.17
|
300
|
322.8
|
326
|
377
|
380
|
500
|
16
|
12
|
37.40
|
350
|
374
|
378
|
400
|
435
|
555
|
20
|
16
|
50.66
|
400
|
425.6
|
429
|
450
|
485
|
605
|
20
|
16
|
56.45
|
450
|
476.8
|
-
|
500
|
535
|
655
|
20
|
16
|
62.24
|
500
|
528
|
532
|
555
|
595
|
735
|
22
|
18
|
81.94
|
600
|
630.8
|
635
|
660
|
700
|
840
|
22
|
18
|
96.27
|
700
|
733
|
738
|
760
|
805
|
945
|
26
|
20
|
126.1
|
800
|
836
|
842
|
865
|
910
|
1050
|
26
|
20
|
142.4
|
900
|
939
|
945
|
970
|
1020
|
1160
|
28
|
20
|
175.3
|
1000
|
1041
|
1048
|
1075
|
1125
|
1265
|
28
|
20
|
193.3
|
1100
|
1144
|
-
|
1170
|
1225
|
1365
|
30
|
24
|
229.4
|
1200
|
1246
|
1255
|
1280
|
1335
|
1475
|
30
|
24
|
250.0
|
上一篇:【鋼性防水套管(B型)】
下一篇:【ZYS808柔性防水套管】